How to Measure

The goal when measuring your jamb for our exterior steel pivot door is to get the measurement from the outermost finishing of your exterior (stucco, brick, concrete, wood, etc.) to the face of the drywall inside. To get this measurement, make sure that you're including all parts of the building materials and the finishings.

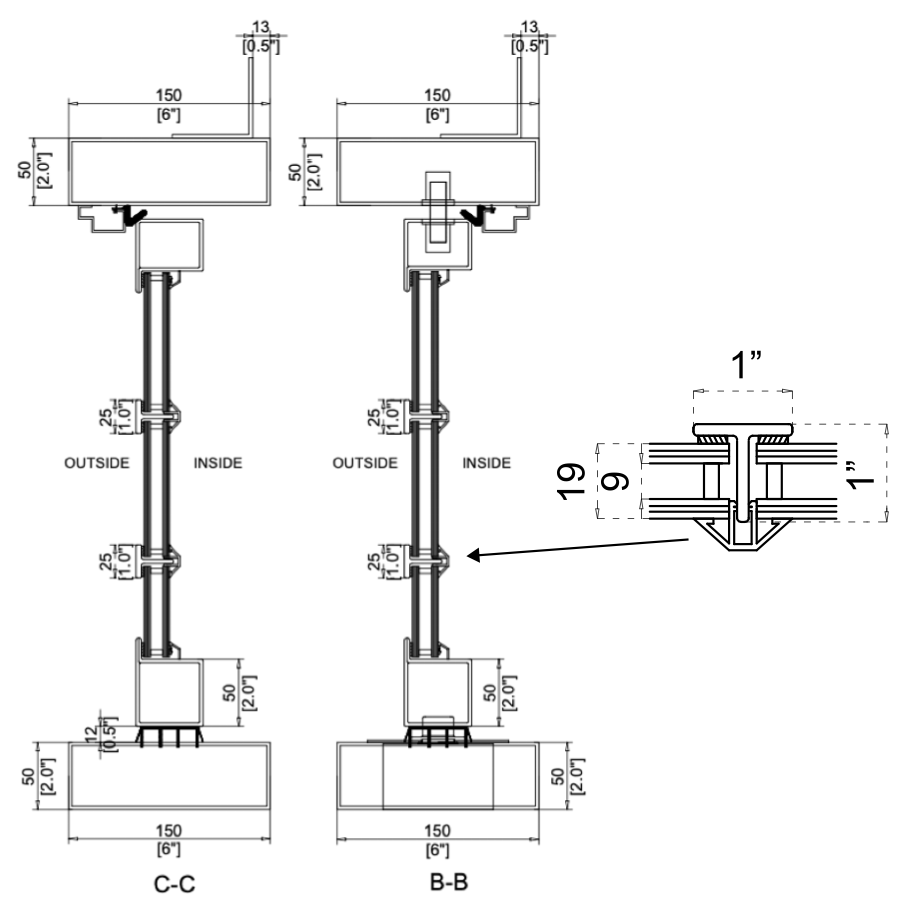
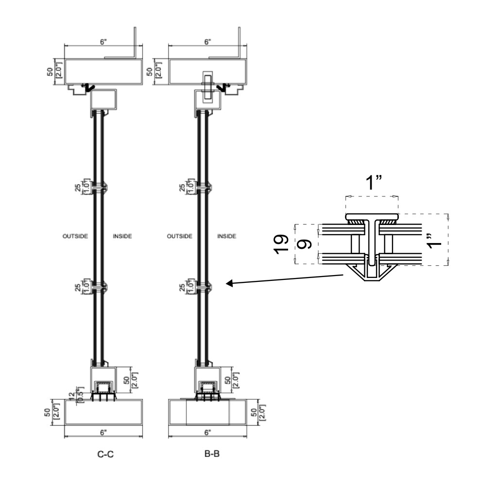
Rough Opening Details

Pivot Doors

Rough Opening Details of Flat Top Single Door Diagram

Pivot Doors

In-Swing

Pivot Doors

Out-Swing

Cut sheet of out-swing steel pivot doors

Threshold

These exterior steel pivot door thresholds are made from one continuous tube of cold-rolled air series steel, and house the pre-installed hydraulic pivot box. The threshold on these pivot doors measures 2” tall on both the exterior and interior.

Closeup of steel pivot door threshold
  • Thickness (height) from the interior side: 2”
  • Thickness (height) from the exterior side: 2”
  • Depth: 6”
Cut Sheet of Steel Pivot Door Threshold

Frame & Jamb

These standard exterior steel pivot doors are pre-hung and include both the door and fully assembled frame (packaged separately for ease of transport and installation). The jamb size is measured at 6” deep (net size) and made from one continuous piece of cold-rolled air series steel. Custom jamb sizes are available via our made to order section.

Finished Double Door Jamb Cross Section with Hinge

Non-Pivot Door Reference Photo

Strike Plate

The strike plate, which is typically included when purchasing a deadbolt, is the plate that receives the throw of the deadbolt and secures your door in place. All of these exterior steel pivot doors come with a laser cut deadbolt strike plate opening on the frame of the door, and features pre-drilled and pre-tapped holes for machine screws.

Closeup of steel pivot door strike plate
Deadbolt Lock Strike Plate Diagram

Pivot Hardware

These exterior steel pivot doors include all necessary pivot hardware pre-installed onto the frame of the door. The threshold houses the hydraulic pivot box, while the top of the frame contains the upper pivot hinge pin. Both work in conjunction to create a smooth and stable pivot swing.

Closeup of upper pivot hinge on steel pivot door
Closeup of steel pivot door threshold

Roller Catch

These steel exterior pivot doors come standard with adjustable roller catches on both the top and bottom of the doors. Adjustments can be made using a standard Phillips screwdriver in order to fine-tune the mechanism. These roller catches allow the doors to “catch” into place, providing additional seal properties for taller doors, as well as assisting your locking system with further longevity.

Non-Pivot Door Reference Photo

Weather Stripping

These standard steel exterior pivot doors come standard with dual foam weather stripping. This weather stripping comes pre-installed around the entire frame of the door. This full suite of weather stripping acts as a barrier from outdoor elements and helps prevent cold or hot air from leaking out of the home, resulting in a much more energy efficient product.

Macro Photograph of Weather Stripping on a Steel Door

Sweep

These standard steel exterior pivot doors come with a pre-installed rubber door sweep at the bottom of the door leaf. This door sweep creates a tight seal between the threshold and the door leaf itself, preventing outside elements from entering your home. This simple yet effective feature helps insulate your space, improving energy efficiency.

Closeup photo of a door sweep

Non-Pivot Door Reference Photo

Foam

These standard steel exterior pivot doors come filled with a polyurethane foam core, which acts as a sound deadening material, and also provides some insulating properties for better energy efficiency. The foam also helps prevent moisture from accumulating inside the steel tubes, contributing to the door's longevity.

Please note, this foam should not be confused with a thermally broken barrier. For more extreme weather conditions dropping below 27 degrees Fahrenheit, please inquire about our thermal break models.

Closeup of unfinished steel door frame filled with foam

Mounting Tabs

These standard steel exterior pivot door frames feature welded mounting tabs designed to be installed from the interior of your space. The tabs are inset to allow for 5/8” drywall to be installed flush with the face of the frame. Each tab features two pre-drilled lag holes for a more flexible installation, though only one lag bolt per tab is required.

Closeup of unfinished steel door mounting tabs
Closeup of finished steel door mounting tabs

Door Thickness

These standard steel exterior pivot door leafs come standard at 2” thick, providing both security and durability. Keep this thickness in mind when sourcing your deadbolt, as some deadbolts will not be compatible with a 2” thick door without the inclusion of a thick door kit (based on lock manufacturer's availability).

Closeup of steel door hardware showing thickness

Non-Pivot Door Reference Photo

Metals

Steel doors offer many more enhanced security features when compared to their wood, fiberglass, vinyl, or aluminum counterparts. These standard steel exterior pivot doors are made with cold-rolled air series steel, which contains a galvanized mix to help prevent corrosion and rust over time. A unique feature of this cold-rolled air series steel is that it is made from a single, continuous piece of rolled metal, eliminating the need for additional welds and fillers. This results in a stronger, more durable product, eliminating weak points from paint cracking and water intrusion.

Samples of finished steel in colors
Macro Shot of Steel Door Weld
black steel entry and patio doors for residential and commercial applications

FAQs

How do I measure my jamb?

The goal is to get the measurement from the outermost finishing of your exterior (stucco, brick, concrete, wood, etc) to the face of the interior drywall.

How thick are your exterior steel pivot door jambs? 

These exterior steel pivot door jambs come standard at 6” thick. Custom jamb sizes are available via our made to order section.

Is the jamb the same thing as the frame? 

The jamb refers to the vertical components of the overall door frame. The jamb size refers to the thickness of those vertical components.

How does the frame mount to the wall? 

These standard steel exterior pivot doors feature welded mounting tabs designed to be installed from the interior of your space. The tabs are inset to allow for 5/8” drywall to be installed flush with the face of the frame. Each tab features two pre-drilled lag holes for a more flexible installation, though only one lag bolt per tab is required. Bolt through applications or nailer fins are available via request through our custom sales team.

Is the jamb included with the door?

Yes, the jamb is a component of the frame, which is made specifically for the door that it is packaged with.

Is the jamb/frame galvanized or zinc coated?

Yes, these exterior steel pivot door jambs and frames contain a galvanized mix to help prevent corrosion, rust, and finish issues when exposed to damp or moist conditions over time.

How is the jamb insulated?

We use a polyurethane foam filling in our exterior steel pivot doors jambs for sound deadening purposes, which also provides some insulating properties. Please note, this foam should not be confused with a thermally broken barrier. For more extreme weather conditions dropping below 27 degrees Fahrenheit, please inquire about our thermal break models.