How to Measure

The goal when measuring your jamb for our exterior steel single doors with side windows is to get the measurement from the outermost finishing of your exterior (stucco, brick, concrete, wood, etc.) to the face of the drywall inside. To get this measurement, make sure that you're including all parts of the building materials and the finishings.

Cut Sheet & Rough Opening Details

Rough Opening Details

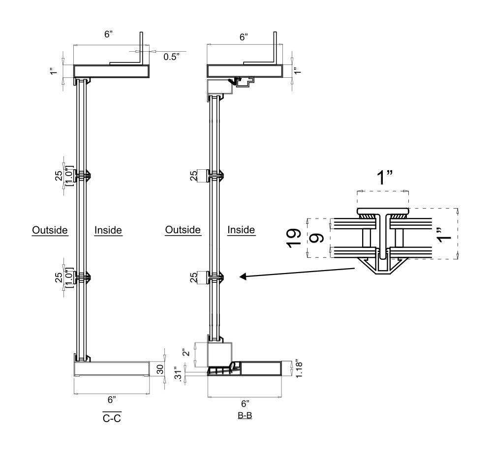
Single Steel Doors with Side Windows

Rough opening details for Flat top single steel doors with sidelights

Arch Top Single Doors with Side Windows

rough opening details for arch top single doors with side windows

Steel Single Door with Side Windows

In-Swing

Cut Sheet of In-Swing Steel Door with Side Windows

Steel Single Door with Side Windows

Out-Swing

Cut Sheet for Out Swing Steel Doors with Side Windows 01

Steel Single Door with One Side Window

In-Swing

Steel Single Door with One Side Window

Out-Swing

Cut Sheet for Out Swing Steel Doors with Side Windows 01
Cut Sheet Bore Hole Details for Single Steel Doors

Threshold

These exterior steel single doors with side windows thresholds differ slightly from in-swing to out-swing models, however both have an exterior side that slopes gently downward. These thresholds are made from one continuously piece cold-rolled air series steel, with a flat-bar added to the bottom, increasing the structural integrity of the unit.

Cross section of In-Swing Threshold
Cross section of In-Swing Threshold with Foam

In-Swing Threshold

  • Thickness (height) from the interior side: 1.18”
  • Thickness (height) from the exterior side: 1/4”
  • Depth: 6”
In-Swing Threshold Cut Sheet

Out-Swing Threshold

  •  Thickness (height) from the interior side: 1.18”
  • Thickness (height) from the exterior side: .31”
  • Depth: 6”

Specs & Materials

Frame & Jamb

These standard exterior steel single doors with side windows are pre-hung and include the door, fully assembled frame, and side windows (each packaged separately for ease of transport and installation). The jamb size is measured at 6” deep (net size) and made from cold-rolled air series steel. This jamb size refers to the net depth of the side windows being installed into your rough opening, which bolt to the 4” deep door frame (On doors with just one side window, the frame depth opposite the side window will be a full 6”). Custom jamb sizes are available via our made to order section.

Unfinished Double Door Jamb Cross Section
Finished Double Door Jamb Cross Section with Hinge

Strike Plates

Strike plates, which are typically included when purchasing a lockset, are the plates that receive the throws of the latch and deadbolt and secure your door in place. All of these exterior steel single doors with side windows come with laser cut strike plate openings on the frame of the door, and feature pre-drilled and pre-tapped holes for machine screws.

Steel Door Showing Strike Plates
Latch Lock Strike Diagram
Deadbolt Lock Strike Plate Diagram

Roller Catch

These steel exterior single doors with side windows come standard with adjustable roller catches on both the top and bottom of the doors. Adjustments can be made using a standard Phillips screwdriver in order to fine-tune the mechanism. These roller catches allow the doors to “catch” into place, providing additional seal properties for taller doors, as well as assisting your locking system with further longevity.

Hinges

These steel exterior single doors with side windows come standard with modern bullet hinges. The frame will have the bottom portion of the hinges welded on (Hinge and male pin). The top receiving portion of the hinge will be welded onto each door leaf, and include a screwed in grease fitting, allowing you to maintain and grease the hinges regularly via a standard grease gun. 

One copper crush washer per hinge is included and required prior to hanging the door onto the frame. These washers protect the hinges by introducing a softer copper metal between the 2 hinge components in order to absorb the friction and allow the doors to swing smoothly. This hinge system is far superior to ball bearing systems, as the bearings are made of stainless steel, which is a harder metal inside a steel barrel, causing wear to both components and sagging over time.

Unfinished double door hinge
Finished Double Door Hinge

Astragal

An astragal is the welded component on the door that provides a seal preventing exterior elements such as air and light from penetrating into the home. These standard steel exterior single doors with side windows come equipped with an astragal when ordering an out-swing version of the door. This astragal is welded onto the exterior of the door leaf, and seals against the frame when in the closed position.

Astragal detail on double door

Weather Stripping

These standard steel exterior single doors with side windows come standard with dual foam weather stripping. This weather stripping comes pre-installed around the entire frame of the door, as well as down the full length of the astragal on out-swing doors. This full suite of weather stripping acts as a barrier from outdoor elements and helps prevent cold or hot air from leaking out of the home, resulting in a much more energy efficient product.

Macro Photograph of Weather Stripping on a Steel Door

Sweep

These standard steel exterior single doors with side windows come with a pre-installed rubber door sweep at the bottom the door leaf. This door sweep creates a tight seal between the threshold and the door leaf itself, preventing outside elements from entering your home. This simple yet effective feature helps insulate your space, improving energy efficiency.

Closeup photo of a door sweep

Foam

These standard steel exterior single doors with side windows come filled with a polyurethane foam core, which acts as a sound deadening material, and also provides some insulating properties for better energy efficiency. The foam also helps prevent moisture from accumulating inside the steel tubes, contributing to the door's longevity.

Please note, this foam should not be confused with a thermally broken barrier. For more extreme weather conditions dropping below 27 degrees Fahrenheit, please inquire about our thermal break models.

Closeup of unfinished steel door frame filled with foam
Closeup of unfinished steel door threshold filled with foam

Mounting Tabs

These standard steel exterior single doors with side windows feature welded mounting tabs designed to be installed from the interior of your space. They are located on the outer sides of each side window, as well as on top of each side window and door frame (On doors with just one side window, tabs will also be included on the outer side of the frame opposite the side window). The tabs are inset to allow for 5/8” drywall to be installed flush with the face of the frame. Each tab features two pre-drilled lag holes for a more flexible installation, though only one lag bolt per tab is required.

Closeup of unfinished steel door mounting tabs
Closeup of finished steel door mounting tabs

Door Thickness

The standard steel exterior single doors with side windows leaf comes standard at 2” thick, providing both security and durability. Keep this thickness in mind when sourcing locks, as some locks will not be compatible with a 2” thick door without the inclusion of a thick door kit (based on lock manufacturers' availability).

Closeup of steel door hardware showing thickness

Metals

Steel doors offer many more enhanced security features when compared to their wood, fiberglass, vinyl, or aluminum counterparts. These standard steel exterior single doors with side windows are made with cold-rolled air series steel, which contains a galvanized mix to help prevent corrosion and rust over time. A unique feature of this cold-rolled air series steel is that it is made from a single, continuous piece of rolled metal, eliminating the need for additional welds and fillers. This results in a stronger, more durable product, eliminating weak points from paint cracking and water intrusion.

Samples of finished steel in colors
Closeup of unfinished steel frame with hinges and roller catch
Macro Shot of Steel Door Weld
black steel entry and patio doors for residential and commercial applications

FAQs

How do I measure my jamb?

The goal is to get the measurement from the outermost finishing of your exterior (stucco, brick, concrete, wood, etc) to the face of the interior drywall.

How thick are your exterior steel single doors with side windows jambs? 

These exterior steel single doors with side windows jambs come standard at 6” thick. This jamb measurement refers to the depth of the side windows themselves (not the door frame) as the side windows are the components that will be bolted into your framing (On doors with just one side window, the frame depth opposite the side window will be a full 6” deep). Custom jamb sizes are available via our made to order section.

How does the frame mount to the wall? 

These standard steel exterior single doors with side windows feature welded mounting tabs designed to be installed from the interior of your space. The tabs are inset to allow for 5/8” drywall to be installed flush with the face of the frame. Each tab features two pre-drilled lag holes for a more flexible installation, though only one lag bolt per tab is required. Bolt through applications or nailer fins are available via request through our custom sales team.

Is the jamb included with the door?

Yes, the jamb is a component of the frame, which is made specifically for the door that it is packaged with.

Is the jamb/frame galvanized or zinc coated?

Yes, these exterior steel single door with side windows jambs and frames contain a galvanized mix to help prevent corrosion, rust, and finish issues when exposed to damp or moist conditions over time.

How is the jamb insulated?

We use a polyurethane foam filling in our exterior steel single doors with side windows jambs for sound deadening purposes, which also provides some insulating properties. Please note, this foam should not be confused with a thermally broken barrier. For more extreme weather conditions dropping below 27 degrees Fahrenheit, please inquire about our thermal break models.