How to Measure

The goal when measuring your jamb for our exterior steel dutch single doors with thermal break and side windows is to get the measurement from the outermost finishing of your exterior (stucco, brick, concrete, wood, etc.) to the face of the drywall inside. To get this measurement, make sure that you're including all parts of the building materials and the finishings.

Cut Sheet & Rough Opening Details

Rough Opening Details

Single Steel Dutch Doors with Thermal Break and Side Windows

Rough opening details for Flat top single steel doors with sidelights

Arch Top Single Steel Dutch Doors with Thermal Break and Side Windows

rough opening details for arch top single doors with side windows

Steel Single Dutch Door with Thermal Break and Side Windows

In-Swing

Steel Dutch Single Door with Thermal Break and Side Windows (Inswing) Cut Sheet
Cut Sheet for Top View Steel Single Door with Thermal Break and Side Windows

Steel Single Dutch Door with Thermal Break and Side Windows

Out-Swing

Steel Dutch Single Door with Thermal Break and Side Windows (Outswing) Cut Sheet
Cut Sheet for Top View Steel Single Door with Thermal Break and Side Windows Out-Swing

Steel Single Dutch Door with Thermal Break and One Side Window

In-Swing

Steel Dutch Single Door with Thermal Break and One Side Window (Inswing) Cut Sheet
Steel Single Door with Thermal Break and One Side Window

Steel Single Dutch Door with Thermal Break and One Side Window

Out-Swing

Steel Dutch Single Door with Thermal Break and One Side Window (Outswing) Cut Sheet
Steel Dutch Single Door with Thermal Break and One Side Window (Outswing) Top View Cut Sheet

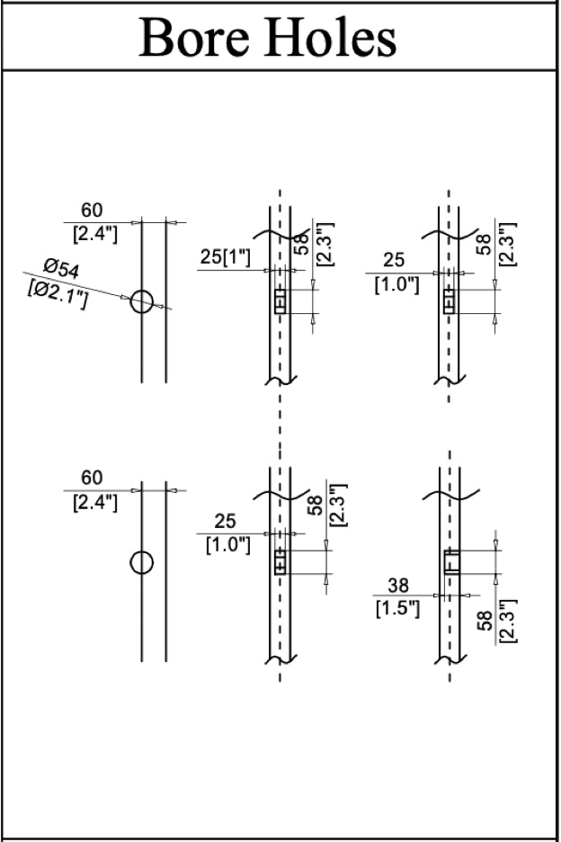
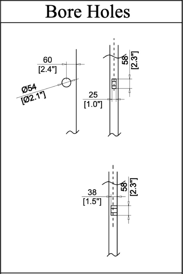
Air Getty Single Dutch with Thermal Break Bore Holes Details

Air Getty Single Dutch with Thermal Break Bore Holes Details

Air 4, 5, & Lite Single Dutch with Thermal Break Bore Holes Details

Air 4, 5, & Lite Single Dutch with Thermal Break Bore Holes Details

Threshold

These exterior steel dutch single doors with thermal break and side windows thresholds are made from a mix of cold-rolled steel and Jansen thermal break materials. These thermal break models are recommended for more extreme conditions where the temperatures drop to 27 degrees Fahrenheit or below.

Photo of thermally broken threshold being made

In-Swing Threshold

  • Thickness (height) from the interior side: 1”
  • Depth: 6”
Diagram of Thermally Broken Threshold In-Swing

Out-Swing Threshold

  •  Thickness (height) from the interior side: 1”
  • Depth: 6”
Diagram of Thermally Broken Threshold Out-Swing

Specs & Materials

Frame & Jamb

These exterior steel dutch single doors with thermal break and side windows are pre-hung and include both the door and fully assembled frame (packaged separately for ease of transport and installation). The jamb size is measured at 6” deep (net size) and made from a mix of cold-rolled steel and Jansen thermal break materials. This jamb size refers to the net depth of the side windows being installed into your rough opening, which bolt to the 4” deep door frame (On doors with just one side window, the frame depth opposite the side window will be a full 6”). Custom jamb sizes are available via our made to order section.

An inherent characteristic of steel is it’s high thermal conductivity. In colder climates, standard steel doors struggle to prevent cold transfer from penetrating to the interior of the home, causing the door to “sweat” and a layer of condensation to buildup on the interior when introduced to heat. These thermal break models include a carbon-like thermal barrier made to interrupt this transfer of cold, preventing the cold air from penetrating to the interior of your home, resulting in a more energy efficient product.

We recommend these thermal break models for more extreme conditions where the temperatures drop below 27 degrees Fahrenheit.

Closeup of thermal break frame
Closeup of thermally broken jamb
Macro shot of finished thermally broken door frame

Strike Plates

Strike plates, which are typically included when purchasing a lockset, are the plates that receive the throws of the latch and deadbolt and secure your door in place. All of these exterior steel dutch single doors with thermal break and side windows come with laser cut strike plate openings on the dummy leaf door, and feature pre-drilled and pre-tapped holes for machine screws.

Unfinished thermally broken frame showing holes for strike plates
Finished thermally broken frame showing holes for strike plates

Non-Dutch Door reference photo

Latch Lock Strike Diagram

Deadbolt Strike Fitment (Air Getty Dutch only):

Deadbolt Lock Strike Plate Diagram

Flush Bolt

These exterior steel dutch single doors with thermal break and side windows feature a flush bolt to lock the upper and lower panels together, ensuring security when engaged. When disengaged, they allow for better airflow and a more open feel.

Non-thermal break reference photo

Hinges

These exterior steel dutch single doors with thermal break and side windows come standard with modern bullet hinges. The frame will have the bottom portion of the hinges welded on (Hinge and male pin). The top receiving portion of the hinge will be welded onto each door leaf, and include a screwed in grease fitting, allowing you to maintain and grease the hinges regularly via a standard grease gun. 

One copper crush washer per hinge is included and required prior to hanging the door onto the frame. These washers protect the hinges by introducing a softer copper metal between the 2 hinge components in order to absorb the friction and allow the doors to swing smoothly. This hinge system is far superior to ball bearing systems, as the bearings are made of stainless steel, which is a harder metal inside a steel barrel, causing wear to both components and sagging over time.

Unfinished double door hinge
Finished Double Door Hinge

Astragal

An astragal is the welded component on the door that provides a seal preventing exterior elements such as air and light from penetrating into the home. These standard steel exterior dutch single doors with thermal break and side windows come equipped with an astragal when ordering an outswing version of the door. This astragal is welded onto the exterior of the door leaf, and seals against the frame when in the closed position.

Astragal Detail Photo

Non-thermal break reference photo

Weather Stripping

These steel exterior dutch single doors with thermal break and side windows come standard with dual foam weather stripping, which comes pre-installed around the entire frame of the door, as well as down the full length of the center astragal. This full suite of weather stripping acts as a barrier from outdoor elements and helps prevent cold or hot air from leaking out of the home, resulting in a much more energy efficient product.

Macro Photograph of Weather Stripping on a Steel Door

Non-thermal break reference photo

Sweep

These steel exterior dutch single doors with thermal break and side windows come with pre-installed rubber door sweeps at the bottom of each door leaf. These door sweeps create a tight seal between the threshold and the door leafs themselves, preventing outside elements from entering your home. This simple yet effective feature helps insulate your space, improving energy efficiency.

Closeup photo of a door sweep

Non-thermal break reference photo

Foam

These steel exterior dutch single doors with thermal break and side windows come filled with a polyurethane foam core, which acts as a sound deadening material, and also provides some insulating properties for better energy efficiency. The foam also helps prevent moisture from accumulating inside the steel tubes, contributing to the door's longevity.

Closeup of unfinished steel door frame filled with foam

Nailer Fin

These steel exterior dutch single door with thermal break and side window models feature a welded 3” nailer fin around the frame of the door, and is designed to be installed from the exterior of your space. This nailer fin is inset to allow for a 1/2” of finish work on the exterior of your home, and includes pre-drilled holes around the entire face of the fin.

Macro Photo of a Nailer Fin on a Steel Window
Finished Nailer Fin Macro Photo

Door Thickness

These steel exterior dutch single door with thermal break and side windows leafs come standard at 2 1/8” thick, providing both security and durability. Keep this thickness in mind when sourcing locks, as some locks will not be compatible with a 2 1/8” thick door without the inclusion of a thick door kit (based on lock manufacturer's availability).

Closeup of steel door hardware showing thickness

Non-thermal break reference photo

Metals

Steel doors offer many more enhanced security features when compared to their wood, fiberglass, vinyl, or aluminum counterparts. These steel exterior dutch single doors with thermal break and side windows are made with a mix of cold-rolled steel and Jansen thermal break materials, which includes a galvanized protectant to help prevent rust and corrosion. These thermal break door models feature a carbon-like thermal barrier that is used to interrupt this transfer of cold, preventing the cold air from penetrating to the interior of your home, resulting in a more energy efficient product.

Jansen metals logo
Closeup photo of steel with Jansen Thermal Break materials
black steel entry and patio doors for residential and commercial applications

FAQs

How do I measure my jamb?

The goal is to get the measurement from the outermost finishing of your exterior (stucco, brick, concrete, wood, etc) to the face of the interior drywall.

How thick are your exterior iron double doors with thermal break jambs? 

These exterior steel dutch single doors with thermal break and side windows jambs come standard at 6” thick. Custom jamb sizes are available via our made to order section.

Is the jamb the same thing as the frame? 

The jamb refers to the vertical components of the overall door frame. The jamb size refers to the thickness of those vertical components.

How does the frame mount to the wall? 

These steel exterior dutch single doors with thermal break and side windows feature a welded 3” nailer fin around the frame of the door, and is designed to be installed from the exterior of your space. This nailer fin is inset to allow for 1/2” of finish work on the exterior of your home, and includes pre-drilled holes around the entire face of the fin.

Is the jamb included with the door?

Yes, the jamb is a component of the frame, which is made specifically for the door that it is packaged with.

Is the jamb/frame galvanized or zinc coated?

Yes, these exterior steel dutch single doors with thermal break and side windows jambs and frames are treated with a galvanized protectant to help prevent rust and corrosion.

How is the jamb insulated?

We use a polyurethane foam filling in our exterior steel dutch single door with thermal break and side windows jambs for sound deadening purposes, which also provides some insulating properties. These thermal break models also include a carbon thermal barrier that is used to interrupt this transfer of cold, preventing the cold air from penetrating to the interior of your home, resulting in a more energy efficient product for cold weather climates.